Категории
НОВЫЕ ПРОДУКТЫ

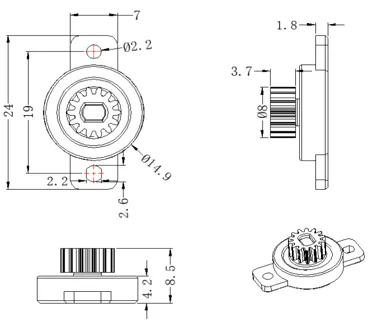
RD- T019 применим к автомобильным зажигалкам, автомобильным футлярам для очков, салонам автомобилей, чехлам для электромобилей, бытовой технике и промышленному оборудованию.


Характеристики

SOC Free, винт, двухсторонний, без ограничения угла

Крутящий момент: 20 - 400 gf.cm

SOC Free, винт, двухсторонний, без ограничения угла

Крутящий момент: 20 - 400 gf.cm


 Детали продукта

Компонентные части

——

Менее почетное место: PC

Верхняя крышка: PC

Ротор: ПОМ

Шестерня: POM

O-RING: VMQ

масло: силиконовое масло

 


 

Долговечность

——

Температура окружающей среды: нормальная температура 23 °

Условия: Одно вращение (1 ход) / 1с - пауза / 1с - Обратное вращение (1 ход) / 1с - пауза / 1с

Продолжительность жизни: 30 000 раз

 


 
Технические характеристики
——
 
Тип 11 / / /
Количество зубов 11 / / /
Ширина зуба        
Высота продукта 8,8      
Модуль 0,8 / / /
Диаметр питч-круга Φ10,4      
Угол давления 20° / / /
Материал ПОМ / / /

 


 

Технические характеристики
——
Характеристика

Крутящий момент демпфера (температура окружающей среды 23 ° C) меняется со скоростью. Обычно крутящий момент увеличивается с увеличением оборотов, как показано на рисунке выше

Температурно-крутящая характеристика (20р / мин)

Крутящий момент заслонки (скорость: 20р / мин) изменяется с изменением температуры окружающей среды. Обычно крутящий момент увеличивается при более низких температурах и уменьшается при более высоких температурах, как показано на графике выше

 

Компонентные части

——

Менее почетное место: PC

Верхняя крышка: PC

Ротор: ПОМ

Шестерня: POM

O-RING: VMQ

масло: силиконовое масло

 


 

Долговечность

——

Температура окружающей среды: нормальная температура 23 °

Условия: Одно вращение (1 ход) / 1с - пауза / 1с - Обратное вращение (1 ход) / 1с - пауза / 1с

Продолжительность жизни: 30 000 раз

 


 
Технические характеристики
——
 
Тип 11 / / /
Количество зубов 11 / / /
Ширина зуба        
Высота продукта 8,8      
Модуль 0,8 / / /
Диаметр питч-круга Φ10,4      
Угол давления 20° / / /
Материал ПОМ / / /

 


 

Технические характеристики
——
Характеристика

Крутящий момент демпфера (температура окружающей среды 23 ° C) меняется со скоростью. Обычно крутящий момент увеличивается с увеличением оборотов, как показано на рисунке выше

Температурно-крутящая характеристика (20р / мин)

Крутящий момент заслонки (скорость: 20р / мин) изменяется с изменением температуры окружающей среды. Обычно крутящий момент увеличивается при более низких температурах и уменьшается при более высоких температурах, как показано на графике выше

 

ОСТАВИТЬ СООБЩЕНИЕ

Если вы заинтересованы в наших продуктах и хотите узнать больше деталей, пожалуйста, оставьте сообщение здесь, мы ответим вам, как только сможем.

*Имя
Телефон
  • Ангола+244
  • Афганистан+93
  • Албания+355
  • Алжир+213
  • Андорра+376
  • Ангилья+1264
  • Антигуа и Барбуда+1268
  • Аргентина+54
  • Армения+374
  • Вознесение+247
  • Австралия+61
  • Австрия+43
  • Азербайджан+994
  • Багамы+1242
  • Бахрейн+973
  • Бангладеш+880
  • Барбадос+1246
  • Беларусь+375
  • Бельгия+32
  • Белиз+501
  • Бенин+229
  • Бермудские острова +1441
  • Боливия+591
  • Ботсвана+267
  • Бразилия+55
  • Бруней+673
  • Болгария+359
  • Буркина+фасо+2
  • Бирма+95
  • Бурунди+257
  • Камерун+237
  • Канада+1
  • Каймановы острова+1345
  • Центральноафриканская Республика+236
  • Чад+235
  • Чили+56
  • Китай+86
  • Колумбия+57
  • Конго+242
  • Острова Кука+682
  • Коста-Рика+506
  • Куба+53
  • Кипр+357
  • Чехия+420
  • Дания+45
  • Джибути+253
  • Доминика +1890
  • Эквадор+593
  • Египет+20
  • Сальвадор+503
  • Эстония+372
  • Эфиопия+251
  • Фиджи+679
  • Финляндия+358
  • Франция+33
  • Французская Гвиана+594
  • Габон+241
  • Гамбия+220
  • Грузия+995
  • Германия+49
  • Гана+233
  • Гибралтар+350
  • Греция+30
  • Гренада+1809
  • Гуам+1671
  • Гватемала+502
  • Гвинея+224
  • Гайана+592
  • Гаити+509
  • Гондурас+504
  • Гонконг+852
  • Венгрия+36
  • Исландия+354
  • Индия+91
  • Индонезия+62
  • Иран+98
  • Ирак+964
  • Ирландия+353
  • Израиль+972
  • Италия+39
  • Кот-д'Ивуар+225
  • Ямайка+1876
  • Япония+81
  • Иордания+962
  • Кампучия (Камбоджа)+855
  • Казахстан+327
  • Кения+254
  • Корея+82
  • Кувейт+965
  • Кыргызстан+331
  • Лаос+856
  • Латвия+371
  • Ливан+961
  • Лесото+266
  • Либерия+231
  • Ливия+218
  • Лихтенштейн+423
  • Литва+370
  • Люксембург+352
  • Макао+853
  • Мадагаскар+261
  • Малави+265
  • Малайзия+60
  • Мальдивы+960
  • У них было +223
  • Мальта+356
  • Мариана Ис+1670
  • Мартиника+596
  • Маврикий+230
  • Мексика+52
  • Молдова, Республика+373
  • Монако+377
  • Монголия+976
  • Монтсеррат Ис+1664
  • Марокко+212
  • Мозамбик+258
  • Намибия+264
  • Науру+674
  • Непал+977
  • Нидерландские Антильские острова+599
  • Нидерланды+31
  • Новая Зеландия+64
  • Никарагуа+505
  • Нигер+227
  • Нигерия+234
  • Северная Корея+850
  • Норвегия+47
  • Собственный+968
  • Пакистан+92
  • Панама+507
  • Папуа-Новая Гвинея+675
  • Парагвай+595
  • Перу+51
  • Филиппины+63
  • Польша+48
  • Французская Полинезия+689
  • Португалия+351
  • Пуэрто-Рико+1787
  • Катар+974
  • Реюньон+262
  • Румыния+40
  • Россия+7
  • Сент-Луэйя+1758
  • Сент-Винсент+1784
  • Восточное Самоа+684
  • Самоа Западное+685
  • Сан-Марино+378
  • Сан-Томе и Принсипи+239
  • Саудовская Аравия+966
  • Сенегал+221
  • Сейшелы+248
  • Сьерра-Леоне+232
  • Сингапур+65
  • Словакия+421
  • Словения+386
  • Соломон Ис+677
  • сомалийский+252
  • ЮАР+27
  • Испания+34
  • Шри-Ланка+94
  • Сент-Люсия+1758
  • Сент-Винсент+1784
  • Судан+249
  • Суринам+597
  • Свазиленд+268
  • Швеция+46
  • Швейцария+41
  • Сирия+963
  • Тайвань+886
  • Таджикистан+992
  • Танзания+255
  • Таиланд+66
  • Того+228
  • Прибыл +676
  • Тринидад и Тобаго+1
  • Тунис+216
  • Турция+90
  • Туркменистан+993
  • Уганда+256
  • Украина+380
  • Объединенные Арабские Эмираты+971
  • Юнайтед Кионгдом+44
  • Соединенные Штаты Америки+1
  • Уругвай+598
  • Узбекистан+233
  • Венесуэла+58
  • Вьетнам+84
  • Йемен+967
  • Югославия+381
  • Зимбабве+263
  • Заир+243
  • Замбия+260
*Эл. адрес
Компания
*Требуемые продукты